
El codificador rotatorio delgado de tipo 12 es un tipo específico o una serie de codificadores rotatorios delgados que se utilizan para detectar el ángulo de rotación, la posición, la velocidad o la dirección.
Marca:
GangyuanArtículo No.:
GE1202-D1-F8.8/2-24POrden (MOQ):
100Pago:
100% T/T Before ProductionOrigen del producto:
ChinaColor:
Black and WhitePuerto de embarque:
WenZhou/ShenzhenTiempo de espera:
7-14 Working Days For PaymentAncho
14.00mm x 13.20mmTipo de montaje
Through Holeiluminacion
Non-llluminatedClasificación del IP
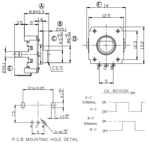
No IP RatingCodificador rotatorio mecánico de montaje en panel con orificio pasante EC12
Parámetros
Tipo: Codificador rotatorio vertical sin interruptor pulsador
Rango de temperatura de funcionamiento: -40 ± 2 °C a +70 °C
Rango de temperatura de almacenamiento: -40 °C a +85 °C
Dirección de rotación del eje: 24P
Resolución: 24 pulsos/360°
Número y posición de los retenes: 24 retenes
Dibujo
¿Qué es un codificador incremental?
Un codificador incremental es un sensor que detecta la posición relativa, la dirección y la velocidad de un eje giratorio emitiendo señales de pulso (como la fase A y la fase B).
No puede proporcionar directamente información de posición absoluta, pero ofrece ventajas como una estructura simple, un bajo costo y una rápida velocidad de respuesta. Se utiliza ampliamente en la automatización industrial.
Control de motores, instrumentación y otras aplicaciones donde los requisitos de posición absoluta no son altos.
• Pulse suele utilizar 12 y 24
• Se puede seleccionar la longitud y la forma del núcleo del eje.
Si Usted está interesado en nuestros productos y desea saber más detalles, deje un mensaje aquí, le responderemos tan pronto como nosotros .. puedamos.
Categorías
nuevos productos
Interruptor táctil Dip de 4 polos 6*6 con orificio pasante Lee mas
Perilla de interruptor táctil roja de montaje en superficie de 6x6 mm Lee mas
Red Amarillo Amarillo Azul Azul Azul LED Ride El interruptor momentáneo Lee mas
T125 / 55 DPST interruptor de botón pulsador de enclavamiento Lee mas
Soporte de tacto interruptor táctil interruptor DIP PUSH INTERPORTE Lee mas
Derechos de autor © 2025 Wenzhou Gangyuan Electronics Co., Ltd.. Reservados todos los derechos. Poder por
Red IPv6 admitida